|
| Vector Telecom is pleased to announce the upgrade line of MMW WR12/WR10 Waveguide to Coaxial Adapters. They are mainly used in millimeter wave calibration and test instruments. The parts are available in stock for quick delivery time. |
|
|
| Features |
- Full waveguide band coverage (60-90GHz, 73.8-110GHz)
- Low VSWR and IL
- RoHS complied
- Connector is 1.0mm Female
- Material is copper with gold plating
|
|
Right Angle Type
|
|
|
|
Specifications
|
| Part No |
VT740WCA1.0KPC
|
VT900WCA1.0KPC
|
| Electrical Specifications |
| Frequency Range |
60-90GHz |
73.8-110GHz |
| VSWR (Max) |
1.55 |
1.55 |
| Insertion Loss (Max) |
1.0dB |
1.0dB |
| Mechanical Specifications |
| Waveguide Type |
WR12 |
WR10 |
| Flange Type |
FUGP740 |
FUGP900 |
| Connector Type |
1.0mm Female |
1.0mm Female |
| Material |
Copper |
Copper |
| Finish |
Gold plating |
Gold plating |
| Weight |
0.015kg |
0.015kg |
| Environment Specifications |
| Working Temperature |
-40¡æ-+70¡æ |
-40¡æ-+70¡æ |
| Storage Temperature |
-40¡æ-+85¡æ |
-40¡æ-+85¡æ |
|
|
|
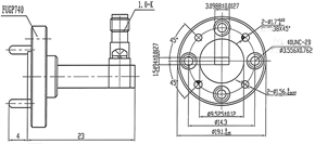
Outline Drawings
|

|
| VT740WCA1.0KPC |
VT900WCA1.0KPC |
|
|
| Test Data (VSWR and IL Curves) |
| VT740WCA1.0KPC |

|
 |
| VT900WCA1.0KPC |

|
 |
| Note: In Insertion Loss (IL) test setup, two Waveguide to Coaxial Adapters are connected together. The test value is the total IL of the two parts. Actually the IL of single Waveguide to Coaxial Adapter is the total value divided by two. |
|
|
End-launch Type
|
|
|
|
Specifications
|
| Part No |
VT740WECA1.0KPC
|
VT900WECA1.0KPC
|
| Electrical Specifications |
| Frequency Range |
60-90GHz |
73.8-110GHz |
| VSWR (Max) |
1.5 |
1.55 |
| Insertion Loss (Max) |
0.8dB |
1.0dB |
| Mechanical Specifications |
| Waveguide Type |
WR12 |
WR10 |
| Flange Type |
FUGP740 |
FUGP900 |
| Connector Type |
1.0mm Female |
1.0mm Female |
| Material |
Copper |
Copper |
| Finish |
Gold plating |
Gold plating |
| Weight |
0.015kg |
0.015kg |
| Environment Specifications |
| Working Temperature |
-40¡æ-+70¡æ |
-40¡æ-+70¡æ |
| Storage Temperature |
-40¡æ-+85¡æ |
-40¡æ-+85¡æ |
|
|
|
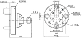
Outline Drawings
|

|
| VT740WECA1.0KPC |
VT900WECA1.0KPC |
|
|
| Test Data (VSWR and IL Curves) |
| VT740WECA1.0KPC |

|
 |
| VT900WECA1.0KPC |
 
|
 |
|
| Note: In Insertion Loss (IL) test setup, two Waveguide to Coaxial Adapters are connected together. The test value is the total IL of the two parts. Actually the IL of single Waveguide to Coaxial Adapter is the total value divided by two. |
| For more information contact: |
|

|